X

Ders Hakkında Görüşlerinizi ve Sorularınızı Aktarmak İçin Yükleyiciyle İrtibata Geçin




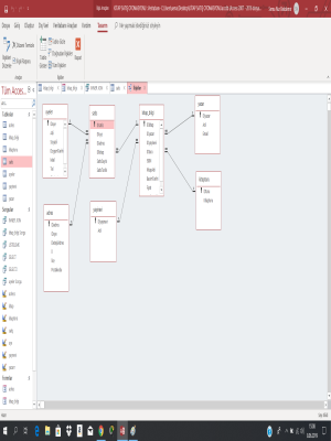
Kitap Satış Otomasyonu

Yükleyen
Görüntülenme Sa 3657
Proje Dosyası İndir

Detaylı Rapor

  • Veri Tabanı Uygulamaları

    Kuru Temizleme Veri Tabanı

  •    
  • Veri Tabanı Uygulamaları

    Kitap Satış Otomasyonu

  •    
  • Veri Tabanı Uygulamaları

    Otel Bilgi Sistemi

  •    
  • Java

    Sürücü Kursu Otomasyonu

  •    
  • Veri Tabanı Uygulamaları

    BANKA SİSTEMİ

  •    
  • Bilgisayar Ağları

    Bilgisayar Ağları Final Projesi

  •    
  • Bilgisayar Ağları

    BILGISAYAR AGLARI DERSI FINAL 150805019

  •    
  • Java

    Yetiştirme Yurdu Otomasyonu

  •